
型号 Model | 发光颜色 Color | 相关色温 Temperature(K) | 流明 Lumen | 功率 Power | 正向电压 Forward voltage | 正向电流(mA) Current | 显指 CRI |
| 2016 | 白色(White) | 2800-7000 | 10-12 | 0.1W | 3.0-3.3 | 30 | 70,80,90 |
| 2016 | 白色(White) | 2800-7000 | 22-26 | 0.2w | 3.0-3.3 | 60 | 70,80,90 |
| 2016 | 白色(White) | 2800-7000 | 30-36 | 0.3W | 3.0-3.3 | 100 | 70,80,90 |
| 2016 | 白色(White) | 2800-7000 | 45-55 | 0.5W | 3.0-3.3 | 150 | 70,80,90 |
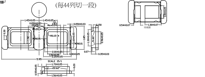
PCT材质,代替三星2323,2835



QQ咨询
在线客服